自密封法蘭截止閥簡述
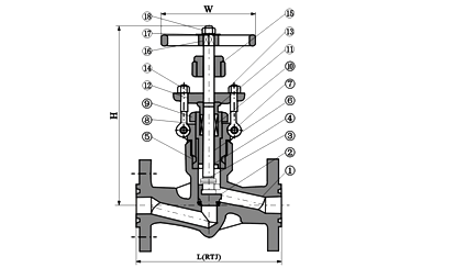
自密封法蘭截止閥有三種蓋設計形式。第一種是螺栓式閥蓋,按這種設計形式設計的閥門,其閥體與閥蓋用螺栓螺母連接,纏繞式墊片(316夾柔性石墨制造)密封。客戶有特殊要求時也可采用金屬環連接。第二種設計形式是焊接式閥蓋,按這種設計形式的閥門,其閥體與閥蓋用螺紋連接,全焊密封。客戶有特殊要求時也可采用全焊透連接。第三種是壓力自緊式閥蓋,按這種設計形式設計的閥門,其閥體與閥蓋用螺紋連接,內壓自密環密封。
鍛鋼自密封截止閥設計結構和特征
截止閥的設計與制造符合API602,BS5352和ASME B16.34。檢驗與測試按API 598,標記按MSS-SP-25。
鍛鋼自密封截止閥采用以下結構
全徑或縮徑
明桿支架式(OS&Y)
自定心壓板壓套式
螺栓連接、纏繞墊片密封式閥蓋,螺紋連接、全焊密封式閥蓋以及螺紋連接內壓自緊式閥蓋
整體式上密封座
承插端符合ASME B16.11
螺紋連接端(NPT)符合ANSI/ASME B1.20.1
閥瓣可變換為節流型、針型、球型和止回型。
自密封法蘭截止閥結構解剖圖


自密封法蘭截止閥標準材質明細表
| 序號 |
零件名稱 |
CS to ASTM |
AS to ASTM |
SS to ASTM |
| Ttpe A105 |
Type A182 F22 |
Type A182 304(L) |
A182 F316(L) |
| 1 |
閥體 |
A105 |
A182 F22 |
A182 F304(L) |
A182 F316(L) |
| 2 |
閥瓣 |
A276 420 |
A276 304 |
A276 304(L) |
A276 316(L) |
| 3 |
閥桿 |
A182 F6 |
A182 F304 |
A182 F304(L) |
A182 F316(L) |
| 4 |
密封螺母 |
A105 |
A182 F304 |
A182 F304(L) |
A182 F316(L) |
| 5 |
密封圈 |
A182 F304L |
A182 F316L |
| 6 |
閥蓋 |
A105 |
A182 F22 |
A182 F304(L) |
A182 F316(L) |
| 7 |
銷釘 |
A276 420 |
A182 F304 |
| 8 |
墊圈 |
A105 |
A182 F22 |
A182 F304(L) |
A182 F316(L) |
| 9 |
提升螺母 |
A194 2H |
A194 4 |
A194 8 |
A194 8M |
| 10 |
填料 |
柔性石墨 |
PTFE |
| 11 |
手輪 |
A276 420 |
A182 F304 |
| 12 |
填料壓板 |
A216 WCB |
A351 CF8 |
| 13 |
填料壓板 |
A193 B7 |
A193 B16 |
A193 B8 |
A193 B8M |
| 14 |
螺母 |
A194 2H |
A194 4 |
A194 8 |
A194 8M |
| 15 |
閥桿螺母 |
A276 410 |
| 16 |
手輪 |
A197 |
| 17 |
銘牌 |
SS |
| 18 |
螺母 |
A194 2H |
A194 4 |
A194 8 |
A194 8M |
|
適用介質 |
水、蒸汽、油品等 |
水、蒸汽、油品等 |
硝酸、醋酸等 |
| 適用溫度 |
-29℃~425℃ |
-29℃~550℃ |
-29℃~180℃ |
注意:客戶需求的其他材質也可采用。密封面料配對由客戶指定內件代號決定。
CS=碳鋼;AS=合金鋼;SS=不銹鋼;
尺寸(mm)和重量(kg)
| NPS |
1/2" |
3/4" |
1" |
11/4" |
11/2" |
2" |
| L(RTJ) |
900Lb~1500Lb |
216 |
229 |
254 |
279 |
305 |
368 |
| 2500Lb |
264 |
273 |
308 |
349 |
384 |
451 |
| H(開) |
900Lb~1500Lb |
318 |
318 |
318 |
398 |
408 |
524 |
| 2500Lb |
333 |
333 |
333 |
410 |
420 |
524 |
| W |
160 |
160 |
180 |
200 |
250 |
280 |
| 重量 |
900Lb~1500Lb |
15.5 |
16.9 |
18.9 |
28.9 |
34.3 |
52.8 |
| 2500Lb |
18.0 |
20.5 |
23.0 |
36.1 |
45.0 |
81.5 |
訂貨須知:
一、①自密封法蘭截止閥產品名稱與型號②自密封法蘭截止閥口徑③自密封法蘭截止閥是否帶附件以便我們的為您正確選型。
二、若已經由設計單位選定正鋼閥門自密封法蘭截止閥型號,請按自密封法蘭截止閥型號直接向我司銷售部訂購。
三、當使用的場合非常重要或環境比較復雜時,請您盡量提供設計圖紙和詳細參數,由我們的正鋼閥門專家為您審核把關。